在线案例

您现在的位置:首页 > 案例展示 > 在线案例

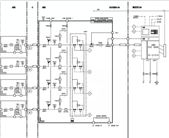
名称:在线分析仪乙烯装置AT-2101在线色谱分析仪改造项目分析系统

需分析组分:

甲醇、乙醇、丁烯、乙炔等烃类


详细介绍

难点及解决方向:

1、由于是更新工程,部件很多都要根据原版的部件来采购

依靠丰富的在线经验,对各种产品的熟悉,从而选择出对应的型号

2、某些部件为特制部件,如树形排放管,储液罐等,只能自制,不能购买

本公司已有多年的在线经验,对生产特殊用途的产品完全可以胜任

预处理设计图:


完工图片:

CopyRight© 2015 All Rights Reserved 广州顺斡仪表科技有限公司 技术支持:织晶网络

地址:广东省广州市黄埔区木棉街四巷3号(联和北公交站路口直走50米) 电话:18816784461 粤ICP备15031154号-1